| 地址: | 河北省泊头市道东街88号 |
| 电话: | 0317-8185077 |
| 0317-8263980 | |
| 0317-8223128 | |
| 传真: | 0317-8265584 |
| E-mail: | hbydby@126.com |
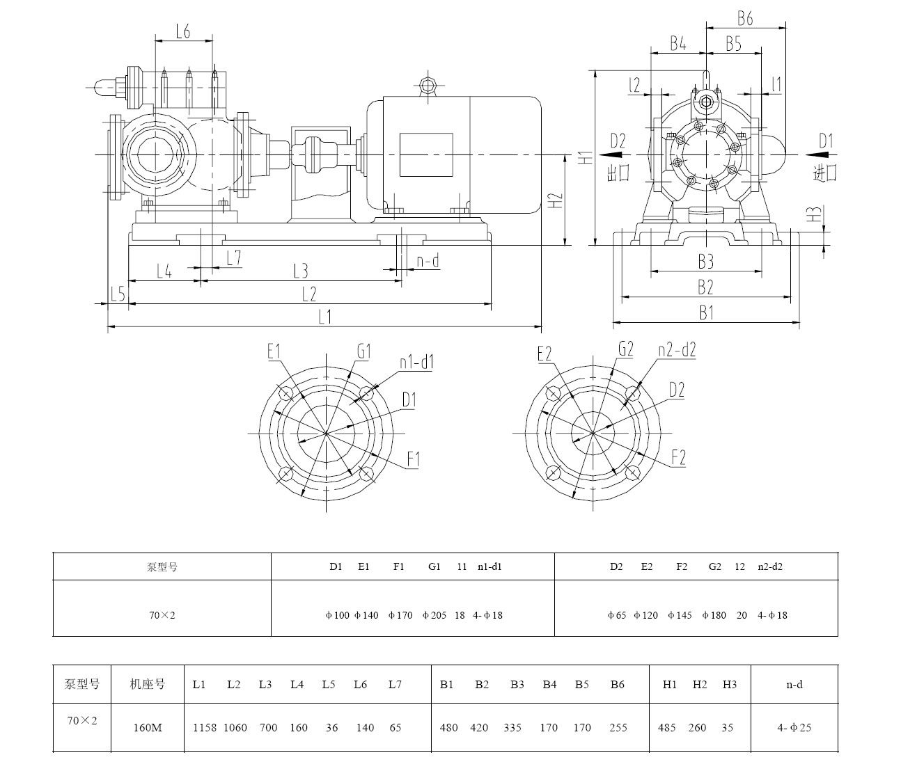
| 3GR70*2W2三螺杆泵配7.5KW-4电机尺寸图 |
| 发布时间:2019-6-16 17:05:56 点击次数: |
3GR70*2W2三螺杆泵配7.5KW-4电机尺寸图,该三螺杆泵流量24m3/h,压力0.6Mpa,吸入真空高度4.5米,进口100米,出口65米.
用来输送温度≤150℃、粘度3-760cSt、不含固体颗粒、无腐蚀性、具有润滑性能的介质。 适用压力范围:0.6-2.5Mpa;适用流量范围:0.6-123m3/h。主要应用于燃油输送、液压工程、船舶工程,石化及其他工业。
3G型三螺杆泵 轴伸支承较小,应由原动机经弹性联轴器直接驱动,不得用皮带轮等会产生额外径向力较大的传动方式传动。
远东泵业3G三螺杆泵产品业绩: 1.舟山海光海运有限公司 3GCL110×2W2三螺杆泵,配YH30KW-4电机,该泵流量:94m3/h,压力:0.45Mpa 2.济南威德克液压机电有限公司 3GCL110×2W2三螺杆泵,配YH37KW-4电机,该泵流量:92m3/h,压力:0.8Mpa 3.百通能源集团有限公司 3GCL100×2W2三螺杆泵,配Y30KW-4电机,该泵流量:70m3/h,压力:0.6Mpa 3GR42×6AW21三螺杆泵,配YB11KW-2电机,该泵流量:7.4m3/h,压力:1.5Mpa
3GR50×4AW2三螺杆泵,配Y11KW-4电机,该泵流量:7.5,压力:2.5 4.九江银星造船有限公司 3GCL100×2W2三螺杆泵,配YH22KW-4电机,该泵流量:70m3/h,压力:0.6Mpa 3GR50×2W2三螺杆泵,配YH5.5KW-4电机,该泵流量:7.5m3/h,压力:0.7Mpa |

