| 地址: | 河北省泊头市道东街88号 |
| 电话: | 0317-8185077 |
| 0317-8263980 | |
| 0317-8223128 | |
| 传真: | 0317-8265584 |
| E-mail: | hbydby@126.com |
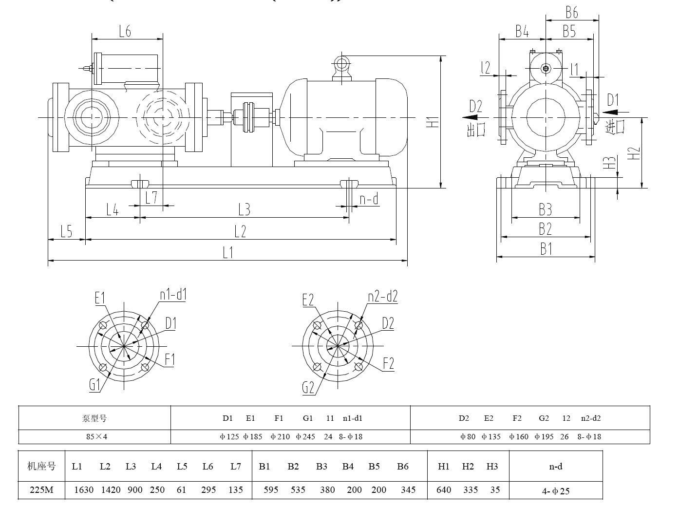
| 3GR85*4W21三螺杆泵配30kw-6电机尺寸图 |
| 发布时间:2019-1-5 16:07:53 点击次数: |
3GR85*4W21三螺杆泵配30kw-6电机尺寸图,该泵流量25m3/h,压力2.5Mpa,轴功率25.4kw,该泵进口125,出口80,泵重量为178kg
|

| 地址: | 河北省泊头市道东街88号 |
| 电话: | 0317-8185077 |
| 0317-8263980 | |
| 0317-8223128 | |
| 传真: | 0317-8265584 |
| E-mail: | hbydby@126.com |
| 3GR85*4W21三螺杆泵配30kw-6电机尺寸图 |
| 发布时间:2019-1-5 16:07:53 点击次数: |
3GR85*4W21三螺杆泵配30kw-6电机尺寸图,该泵流量25m3/h,压力2.5Mpa,轴功率25.4kw,该泵进口125,出口80,泵重量为178kg
|